
Current Position:home
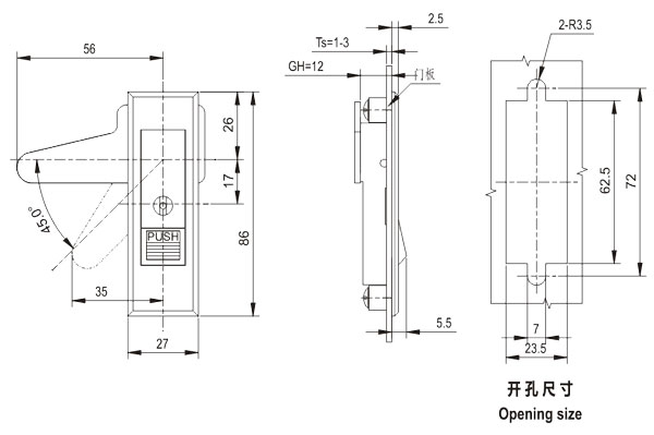
MS603-1
| Material: | zinc alloy housing 、handle and plastic button,steel cam and nut. |
| Finish: | Sand Chrome plated .zinc plated parts. |
| Structure: |
push the button and swing the handle to open or lock。 |

Related Products:











